Saf-Holland is a well-known manufacturer of premium-quality commercial vehicle components, including their highly-regarded fifth-wheel coupling systems. Saf-Holland fifth wheels are engineered to provide safe, reliable, and efficient coupling between tractor units and trailers.
The SAF-HOLLAND Group is one of the leading international manufacturers of chassis-related assemblies and components for trailers, trucks and buses. The product range includes axle and suspension systems, fifth wheels, coupling systems, kingpins and landing legs. These products are known worldwide under the brands SAF, HOLLAND, HALDEX, KLL, NEWAY, TRAILERMASTER, V.ORLANDI and YORK.
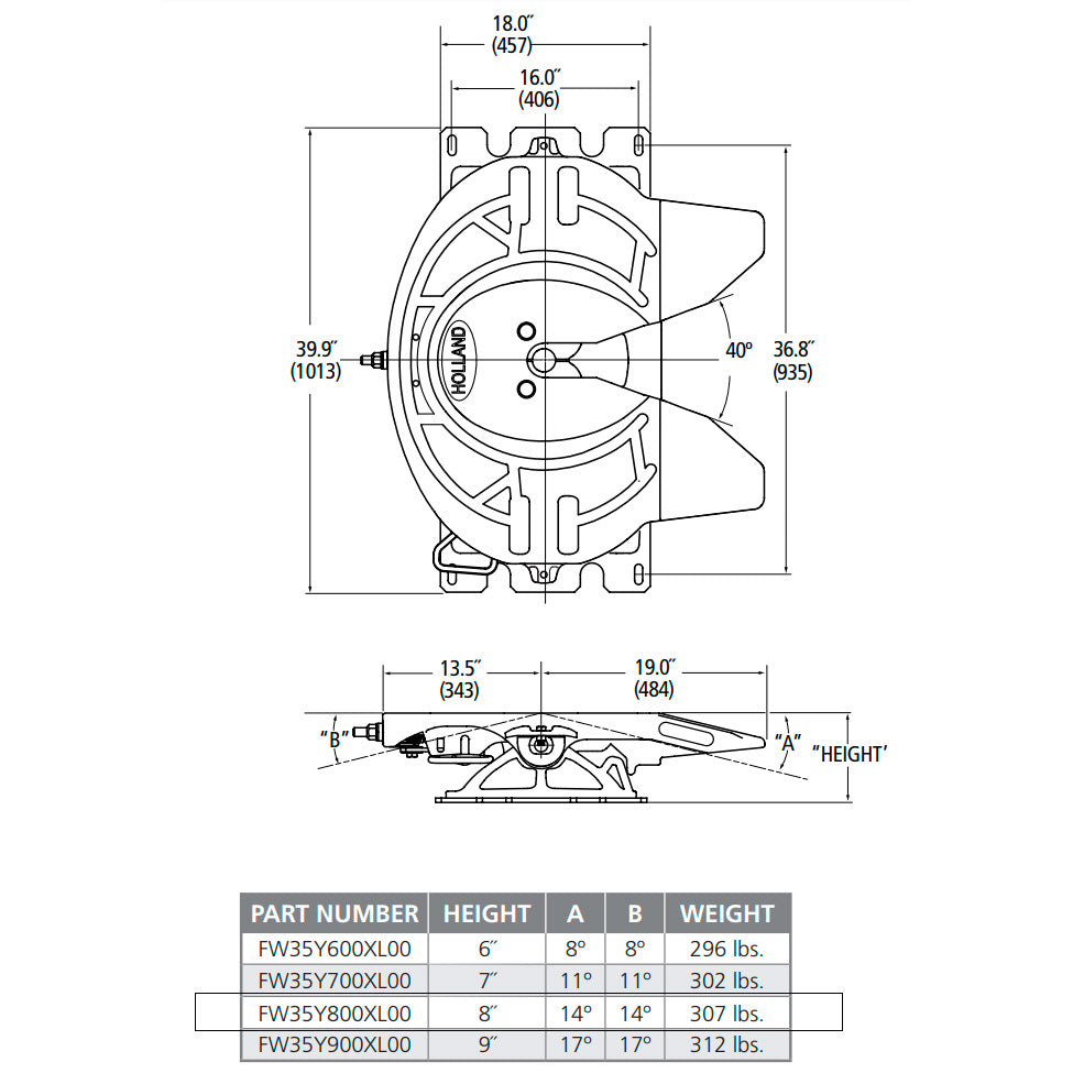
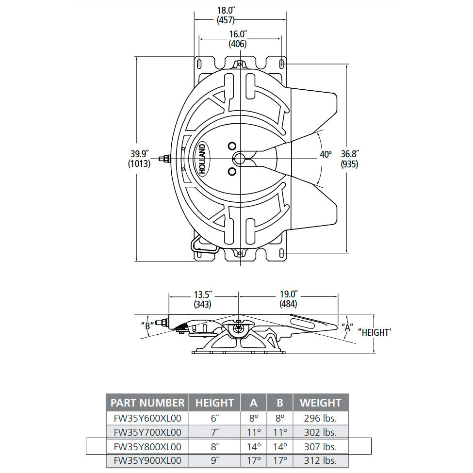
- Part: Fifth Wheel Assembly with FW35 Plate
- Part OEM: FW35Y800XL00 (SAF Holland)
- Lube Type: Standard
- Material: Cast Steel
- Top Plate: FW35
- Brackets: RK-Y800 (Left and Right Side Included)
- Height Each: 4 3/4"
- Width Each: 36 1/2"
- Length Each: 35 1/2"
- Kingpin Size: 2"
- Mounting Type: Stationary
- Mounting Style: Foot Mount Bracket
- Maximum Vertical Load Capacity: 55000 lb
- Maximum Drawbar Pull Capacity: 150000 lb
- Release: Left Manual
- Duty Rating: Moderate to severe, on and off highway
- Original Equipment Manufacturer: SAF-HOLLAND
- Top Plate OEM Number:: XA-351-A-L-P
- Foot Mount OEM Number:: RK-Y800
- Assembly OEM Part Number:: FW35X800XL00
Package: 18 in x 40 in x 36 in
Weight: 307.0 lb
